TTL voltage level probe

To check static or slow changing signals in devices using TTL voltage levels, a multimeter or scope can be too cumbersome. To know a signal is high, low or undefined can be good enough in most cases.

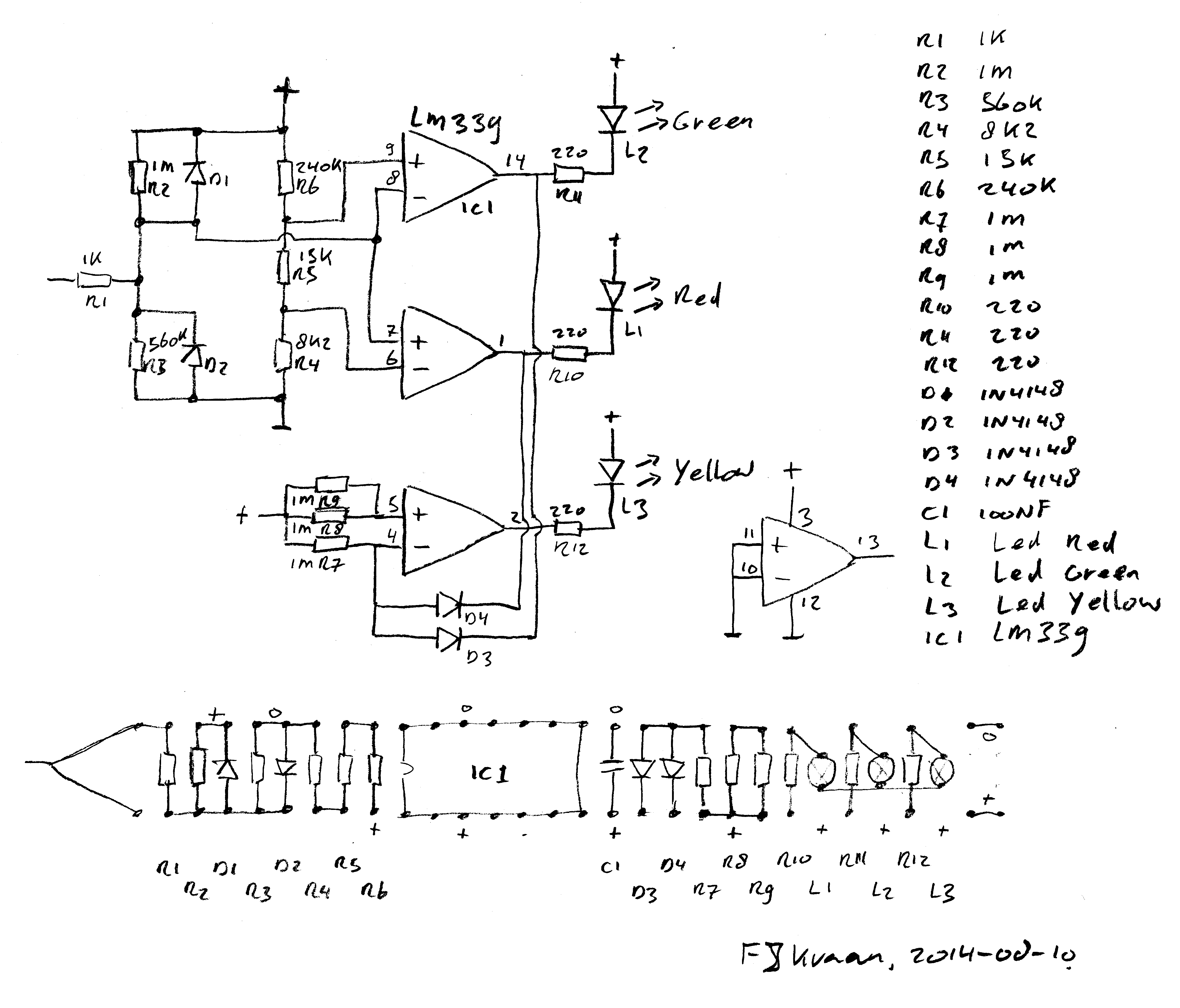
A long time ago I copied this from an Elektor (then Elektuur, probably from 1977-1980) diagram, making it as compact as possible with 0.1" vero board.

The original diagram is lost, but here is a reverse engineered diagram component list and board layout.

A recent redraw


Last updated: 2022-11-17

e-mail