Tascam DA-P1 microphone stage modification

Some people argue that the DA-P1 input stages are not designed for high sound level. If indeed you cannot attenuate the level at the microphone itself (which is my solution using AKG C414b-ULSs), the input stages can create a distorted recording "brick-walling". Using an external preamp solves the problem but destroys the elegance the DA-P1 is: an all in one solution.

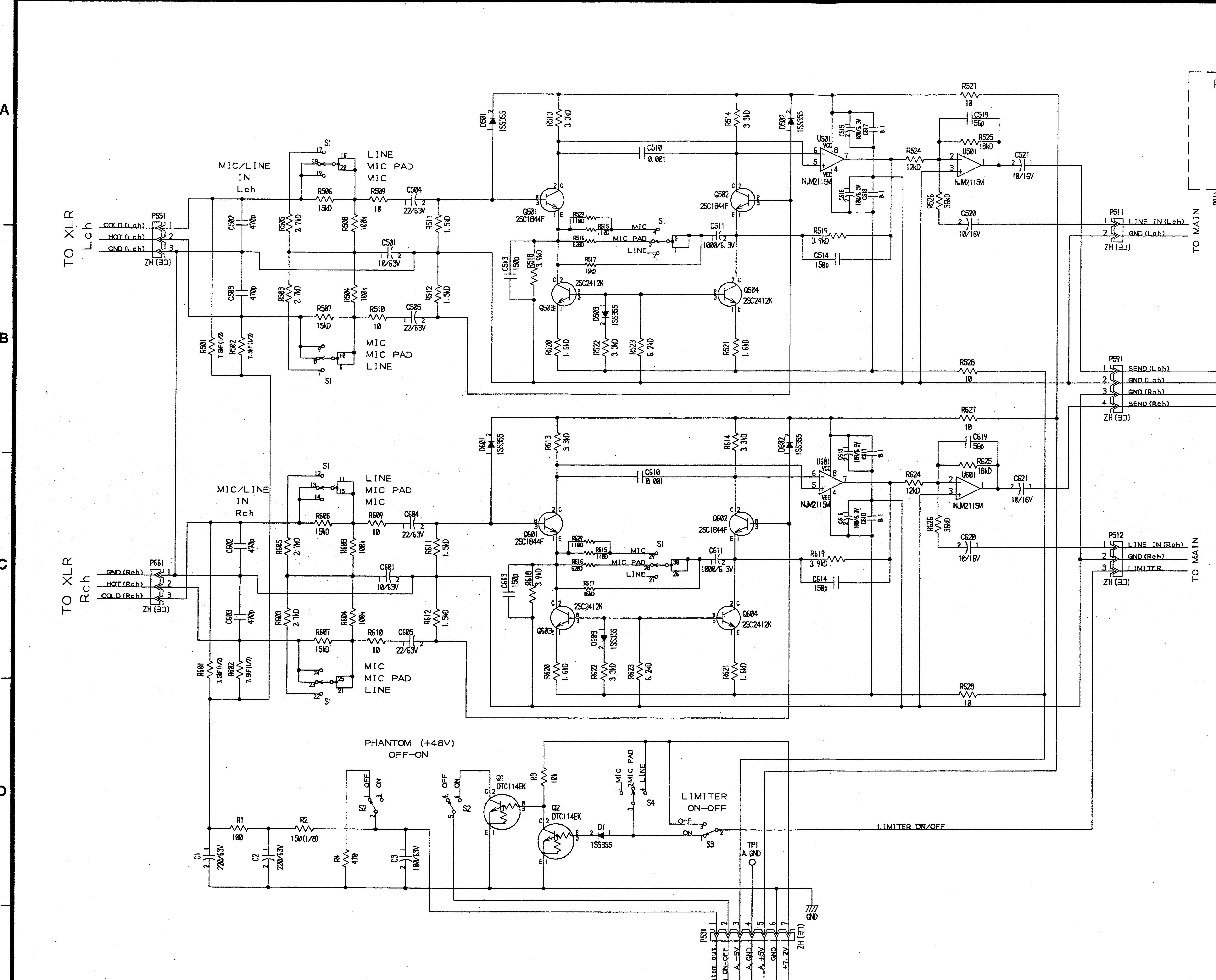
Another solution is modifying the DA-P1 itself. The Oade brothers offer a modification of the preamp. The alternative described below might be similar. The Oade mod also includes replacement of the phantom power resistors to an industry standard value.

  • Microphone Amplifier Stage scanned at 600 dpi b/w.

    Copied from DAT-heads archive:

    From: Hawker 
    Subject: RE: Tascam DA-P1 Problems
    Date: Thu, 19 Aug 1999 09:32:30 -0400
    
    I think I posted this to the subscribe addy and not the post the first time
    sorry if it makes it twice
    
    Shawn the DA-P1 has a gain structure that is different than you would expect.
    (For all those who know this info I have a Mode to fix the Gain below)
    
    1) The gain knob does not change the gain of the Mic Pre as most properly
          designed Mic Pres do.  Rather it is attenuative only!  The Mic pre
          has two fixed gain settings (0 and -20 pad).  The Volume control comes
          after the mic pre and is a passive attenuation.  So if the level is to hot
          at the mic pres it will clip.  No matter where the level knob is.
          The  setting is then counter-intuitive from the
         way you would set say a normal outboard mic -pre.  Rather than wanting
         the gain knob as low as possible the best SNR is when the gain knob is at 10.
         If it is to low it means the signal is VERY hot before it and clipping b4 it hits the knob.
         In practice I have found that if that knob is set below 3.5 you are getting distortion.
         
    2) The 20db pad is not a pad.  This is actually changing the gain of the front end
         to be 20db less actively.  It is not a pad, only causes the front end to provide
         20db less gain.  So don't think of this with the negative connotations of SNR etc
          that you normally would with a pad.  It is not a pad.
    
    All this said you will probably find that you are normally running pad on with the
    level knob around 5 or so (depending on mics etc).  And that running without
    the pad won't happen even in acoustic settings.  For this reason some
    "other companies" are charging folks to change the gain of the DA-P1.
    Here is the mod.
    =============================================
    For 6db mod (reduces mic pre gain by about 6 db)
    
    Need 2 0805 (size) 1.34k 1% resistors if you have a bunch of them hand match them with a VOM to the closest value.
    
    Open the DA-P1 case.. In the Mic Pre section 
    Remove R529 and R629 These are 110 ohm resistors.
    There are two 110 ohm resistors in parallel for 55ohms.  Removing one leaves it at 110 ohms which is a 6db difference.
    This is the Pad off gain.
    
    Remove R516 and R616. Replace with the 1.34k resistors.  This is the Pad on setting
    Note changing R516 and R616 to 2.23K makes a 10db mod.
    
    To figure out different gain mods the gain formula of the front end is 
    20 LOG (3.9K / R) where R is the resister you are changing.
    Stock is 55ohms and 620 ohms or 37.0dB and 15.97dB.  
    You can use any value 0805 resistor to make any gain change you want 
    with this formula.  
    Also note that on newer models Tascam left out a pile of the 0805 X7R .1uF 
    bypass caps around the mic pre.  You may want to get a pile of these
    and put them back in.  It helps noise and stability a bit.
    
    Hawker
    

    Latest update: 2002-04-08