MPF Application notes additional information

MultiTech provided Application Notes for the MicroProfessor MPF-I, in addition to the Experiment Manual. Four of those are available in the Scanned documentation directory. This page shows the recreation of some the Application Notes.

MPF-I-01-210A

MPF-I AS A FREQUENCY COUNTER

An Application Example of Z80-CTC.

This application notes makes use of two channels of the the CTC option to create a frequency counter operating up to 1 MHz. What is omitted from the Application text is how to connect the signal. It is the CTC Channel 0 "CLK/TRG0", at the P2-bus, pin 31. This pin is next to ground pins 11 and 30.

The CTC requires a clean TTL-compatible signal to work reliable.

Demo frequency source:
KiCAD schema of a 555 as frequency generator and TTL-interface to the CTC.

MPF-I-02-210A

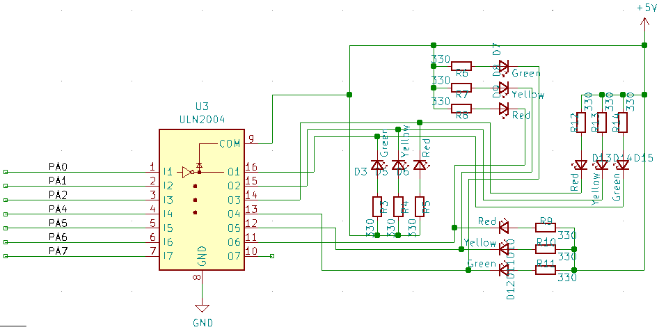
MPF-I AS A TRAFFIC LIGHT CONTROLLER

An Application Example of Z80-PIO.

This application note uses the on-board PIO option to control three LEDs via a driver to mimic a traffic light.

To make the recreation more fun, I added another direction to the cross-road and duplicated all LEDs to mimic the opposite direction. The breadboard shows the four traffic lights of the crossroad. The result:

The original application note only used the LEDs at PA0, PA1, PA2:

KiCAD schema of traffic lights for a crossroad.

MPF-I-03-210A

MPF-I AS A GAME SOUND GENERATOR

Flying Saucer & Laser Gun.

This uses the standard speaker of the MPF-I. These two sounds are very similar.

MPF-I-04-210A

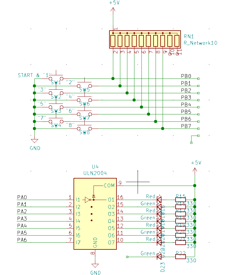
PLAYING POKER GAME WITH MPF-I

An Application Example of Z80-PIO.

This application note makes use of both PIO A and B ports, the A side for LEDs, the B side for switches. A partial schema and layout:

KiCAD partial schema of 
  the poker game A rectangle with red LEDs in 
  each corner, and green LEDs at the edges. Below each LED is a 
  numbered switch, clockwise 1 to 8

e-mail

Last update: 2021-12-15