LNW80 Technical Reference Manual ERRATA SHEET #1





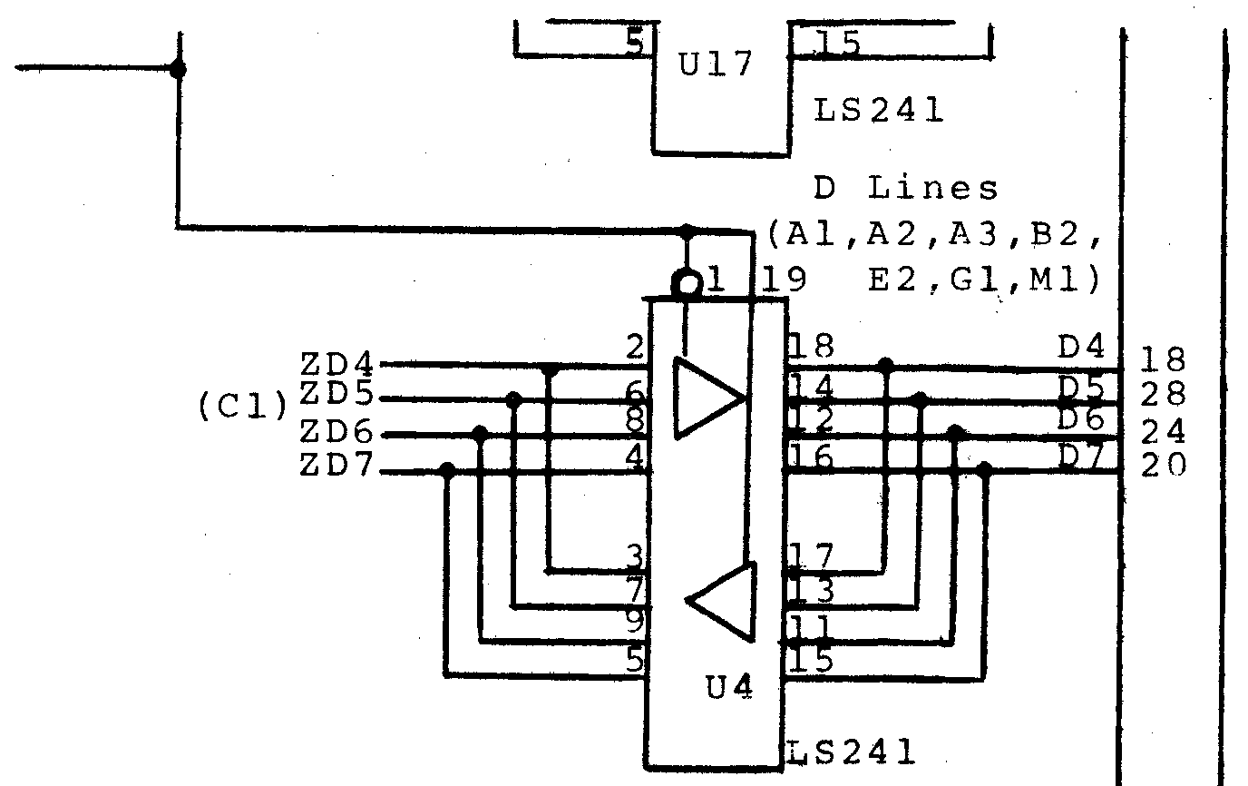
TECHNICAL REFERENCE MANUAL ERRATA SHEET # 1 Errata #1 09-29-82 Page 60 Insert the following addition to ECN 1000 - Under part b, jumpers, step 3 should read: Lift U6-4 and jumper IC pin directly to U6-5. Errata #2 10-22-82 Page 47 Insert the following to the procedure for constructing the special cable: Break line 24 of the cable, Line 24 corresponds to pin 23 of the connector. This prevents the good computer from being disabled when U2-25 of the bad board is pulled to ground Errata #3 11-01-82 Schematic Note the following correction to the LNW80 (Page 1 of 4) PCB Schematic Section 1-0 at IC location U4 as shown on the following diagram.