LNW80 Technical Reference Manual
                  APPENDIX 1  DATA SHEETS
------------------------------------------------------------

         THE FOLLOWING DATA SHEETS ARE REPRINTED
         WITH THE PERMISSION OF WESTERN DIGITAL,
         ZILOG, MOTOROLA, AND TEXAS INSTRUMENTS, AND
         MAY NOT BE REPRODUCED IN ANY FORM WITHOUT
         THEIR EXPRESSED WRITTEN PERMISSIONS.

DATA SHEET INDEX                                        PAGE

 1. MCM2114   - 2K STATIC RANDOM ACCESS MEMORY.............87
 2. TR1602    - ASYNCHRONOUS RECEIVER/TRANSMITTER..........90
 3. FD1771    - FLOPPY DISK CONTROLLER....................103
 4. FD179X-02 - FAMILY FLOPPY DISK CONTROLLER.............109
 5. WD1691    - FLOPPY SUPPORT LOGIC......................124
 6. FD179X    - APPLICATION NOTES.........................127
 7. WD2143-01 - FOUR PHASE CLOCK GENERATOR................133
 8. 74LS629   - VOLTAGE CONTROLLED OSCILLATOR.............134
 9. MCM4116   - 16K DYNAMIC RANDOM ACCESS MEMORY..........137
10. MPU131    - PROGRAMABLE UNIJUNCTION TRANSISTER........144
11. MC1488    - QUAD MDTL LINE DRIVER.....................146
12. MC1489    - QUAD MDTL LINE RECEIVER...................148
13. J175      - P CHANNEL JFET TRANSISTER.................150
14. MC1372    - COLOR TV MODULATOR CIRCUIT................151
15. MCM2716   - 2K ERASABLE PROM..........................159
16. Z80A      - CENTRAL PROCESSING UNIT...................163
17. TL080     - JFET-INPUT OPERATIONAL AMPLIFIERS.........172
18. SERIES 14 AND 18 PROGRAMMABLE READ-ONLY MEMORIES......178


MCM2114


TR1602


FD1771

Page 103

Page 104

Page 105

Page 106

Page 107

Page 108


FD179X-02 (See 
http://discover-net.net/~dmkeil/trspdf.htm for a pdf version.


WD1691


FD179X Application Notes


WD2143-01


74LS629


MCM4116


MPU131


MC1488


MC1489


J175


MC1372


MC2716


Z80A

TL080


SERIES 14 AND 18 PROGRAMMABLE READ-ONLY MEMORIES



              APPENDIX 2 ENGINEERING DRAWINGS



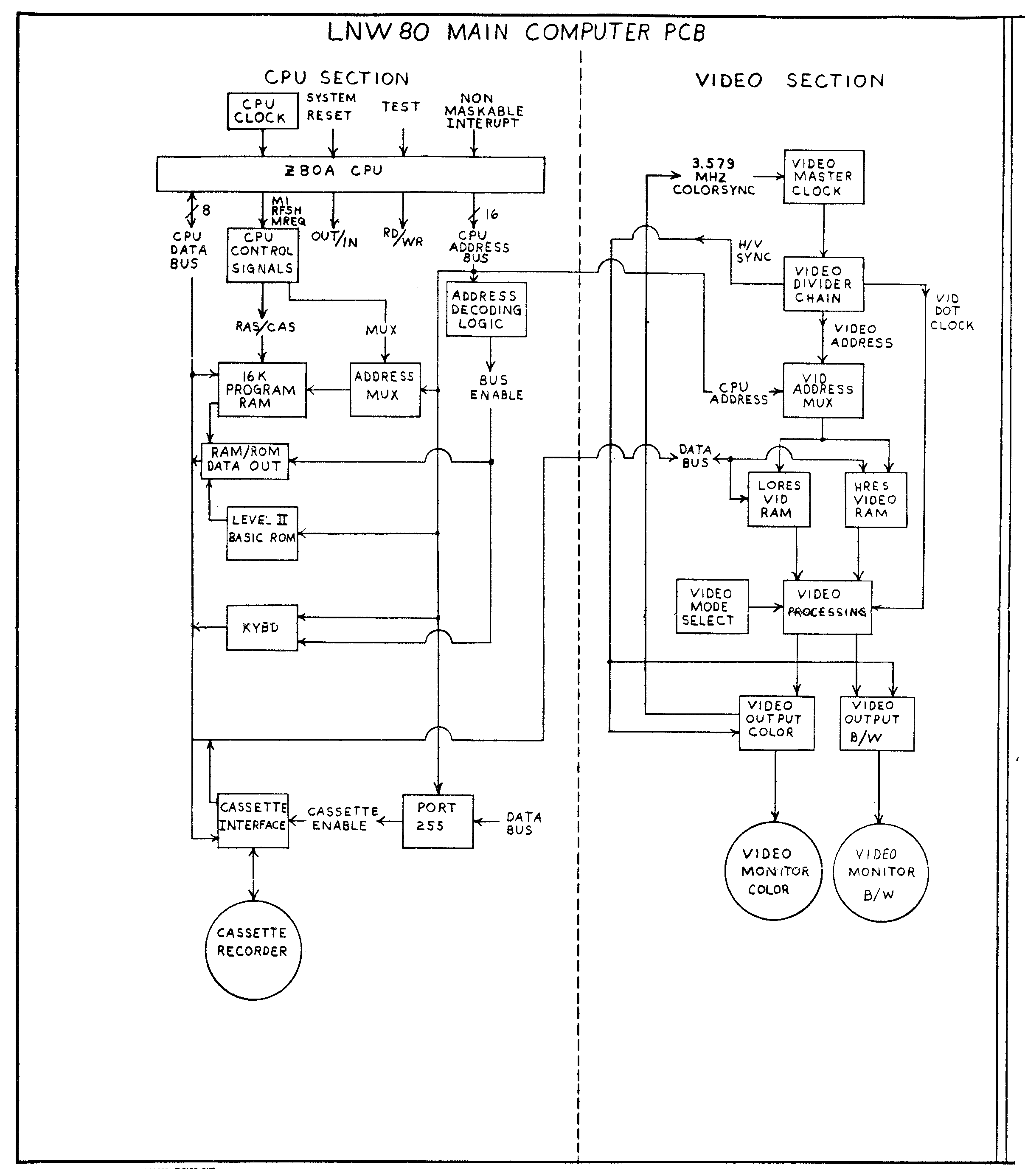
1.  BLOCK DIAGRAM
    left | right

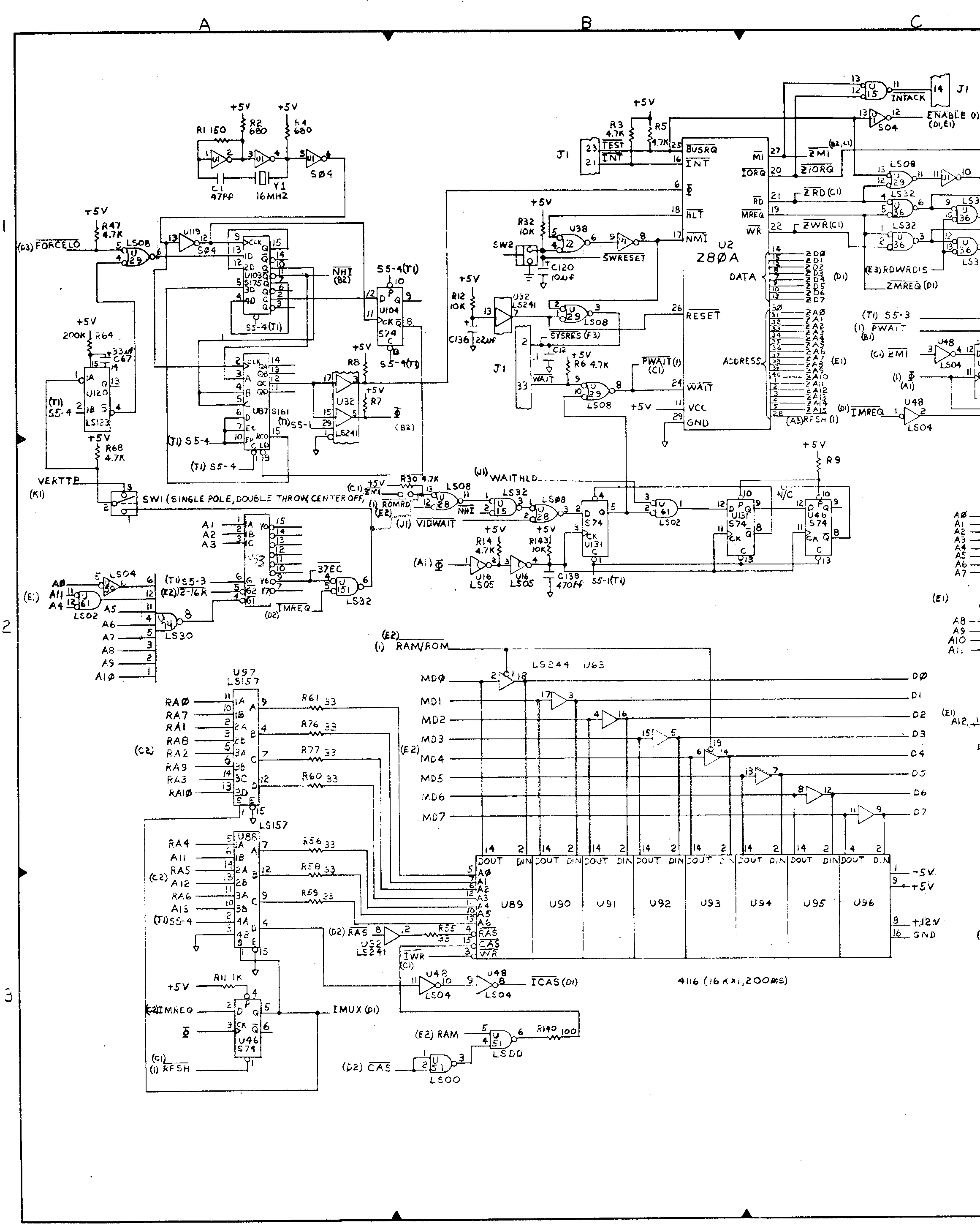
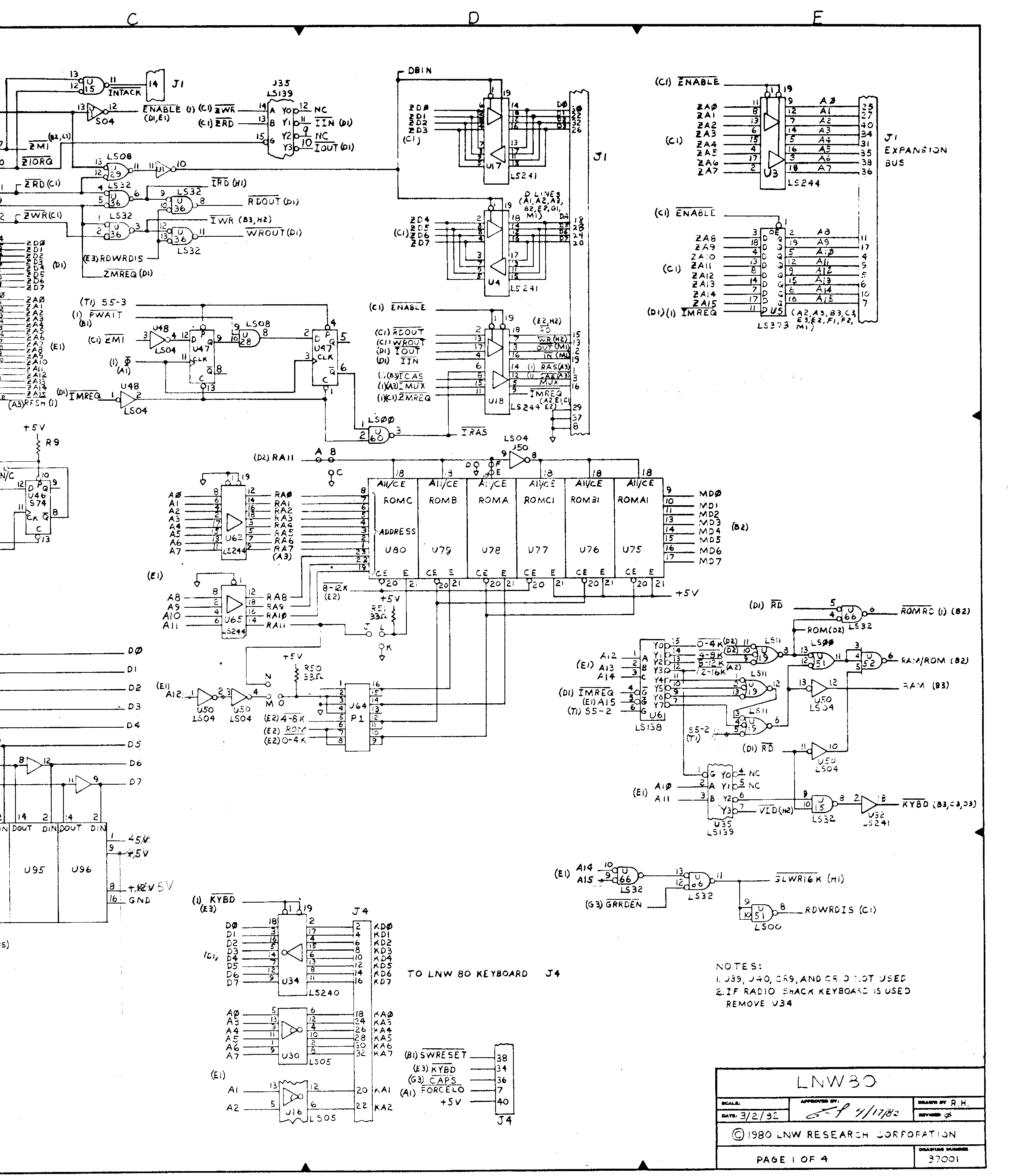
2.  LNW80 PRINTED CIRCUIT BOARD SCHEMATIC PAGE 1 OF 4
    left | right

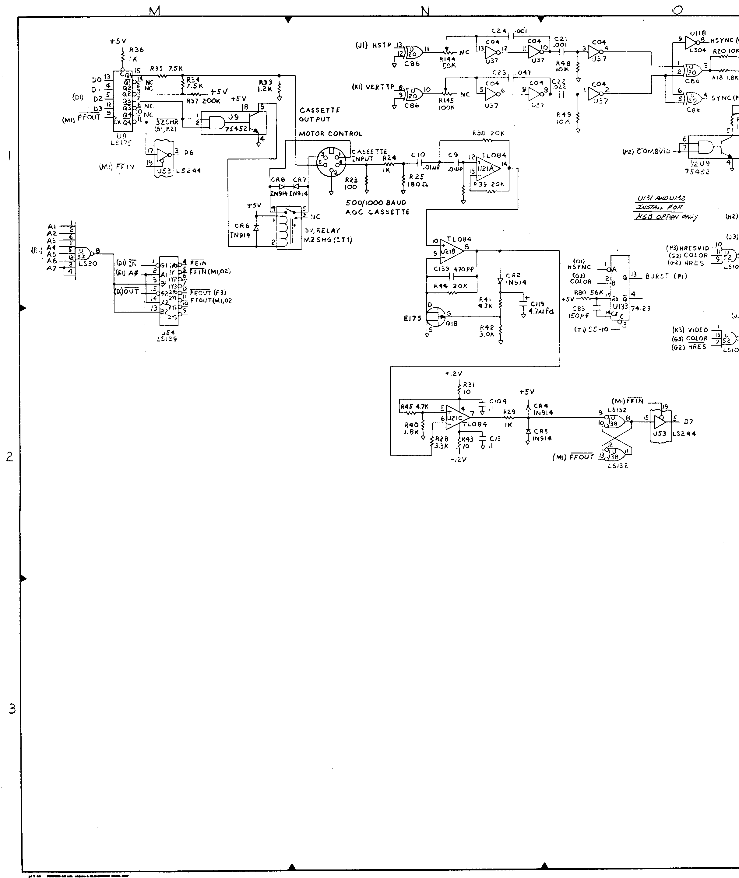
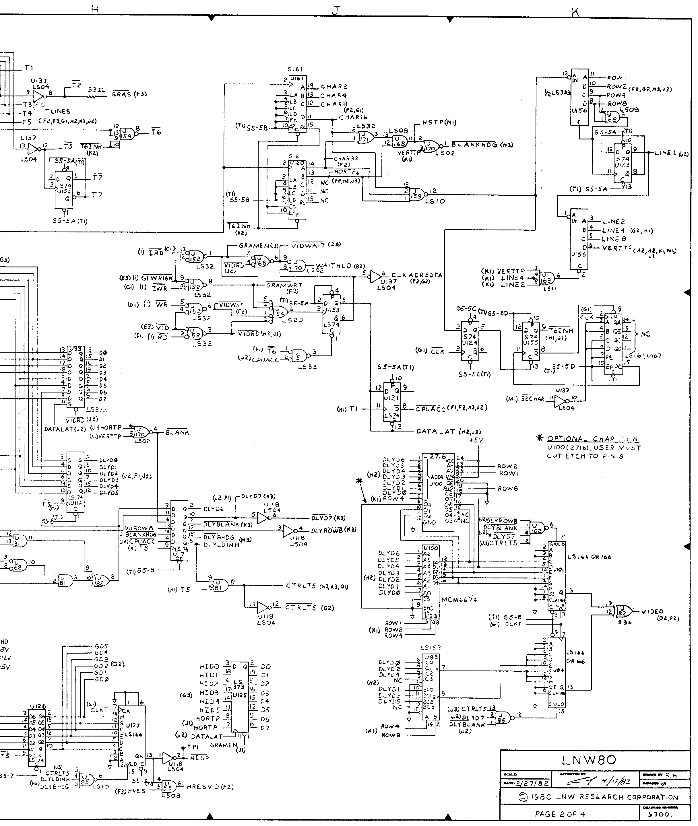
3.  LNW80 PRINTED CIRCUIT BOARD SCHEMATIC PAGE 2 OF 4
    left | right

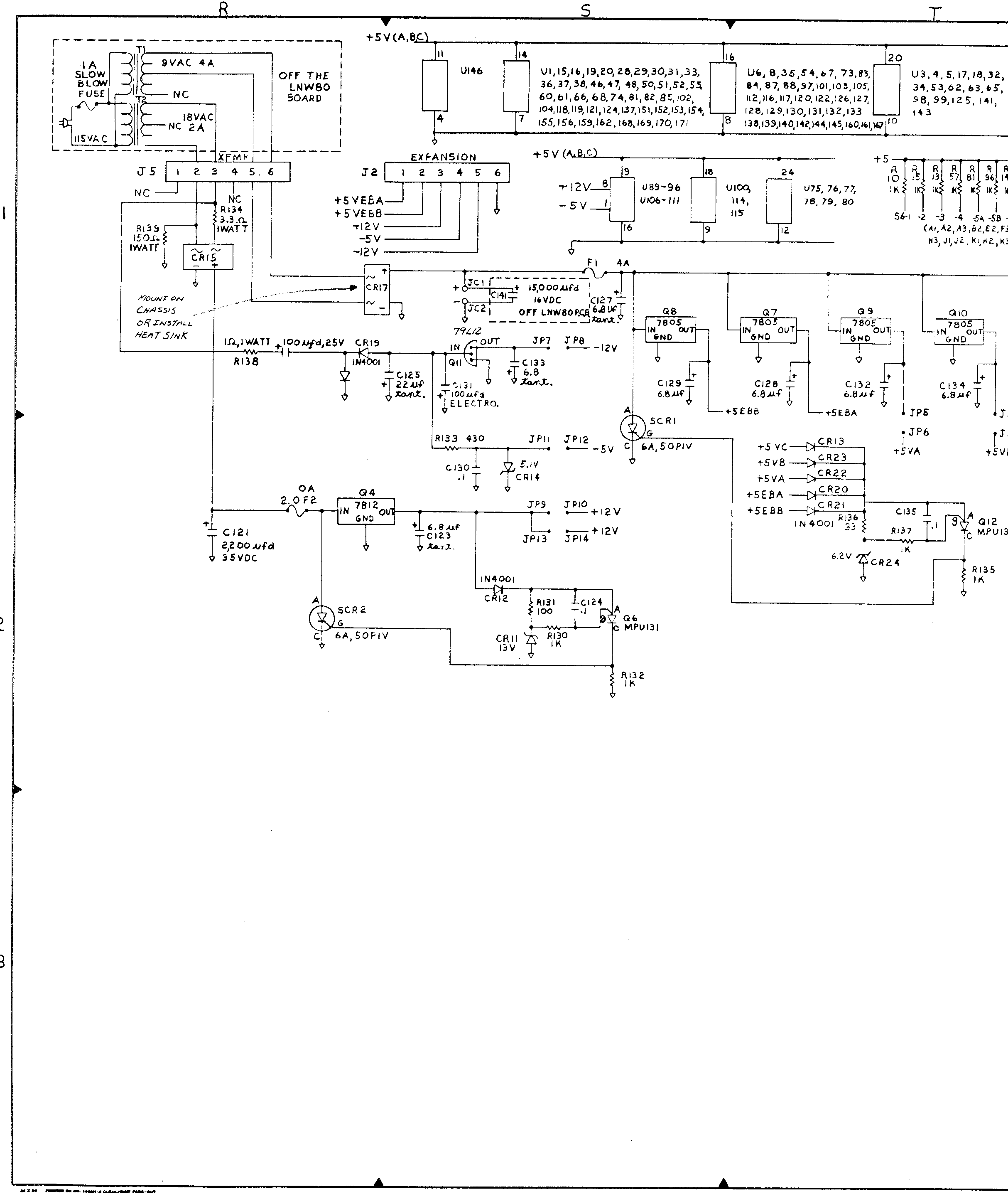
4.  LNW80 PRINTED CIRCUIT BOARD SCHEMATIC PAGE 3 OF 4
    left | right

5.  LNW80 PRINTED CIRCUIT BOARD SCHEMATIC PAGE 4 OF 4
    left | right

6.  KEYBOARD SCHEMATIC
    all

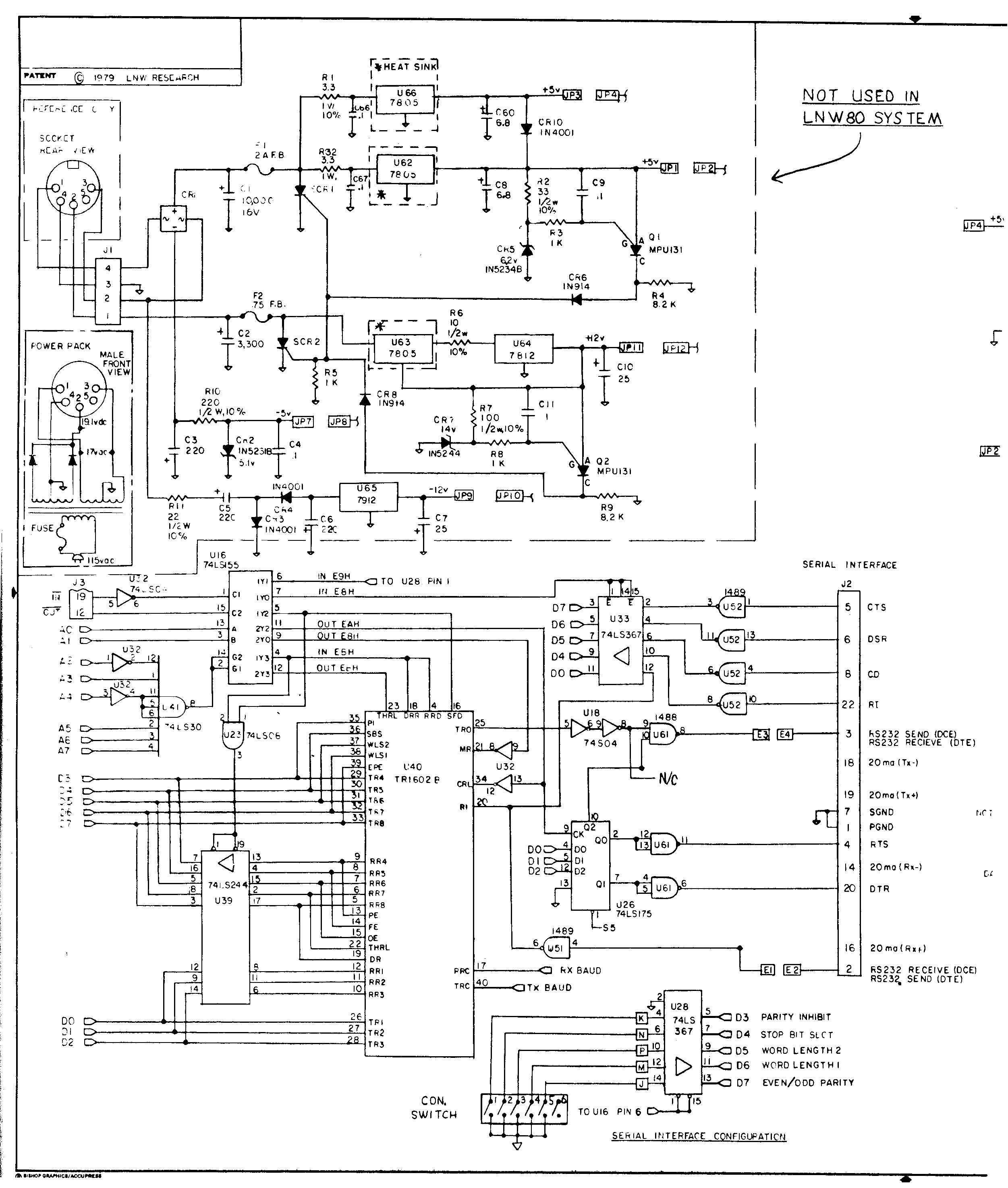
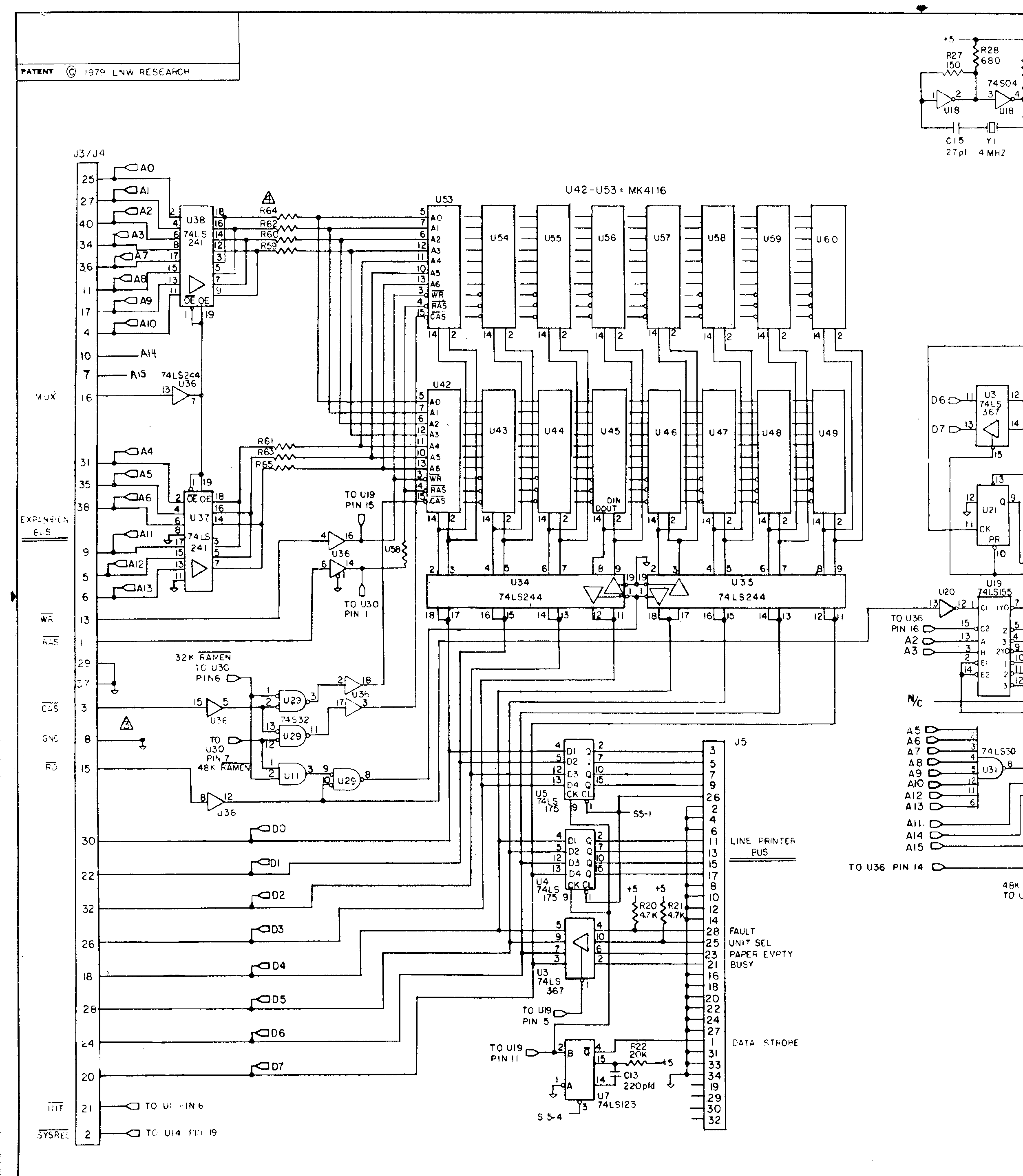
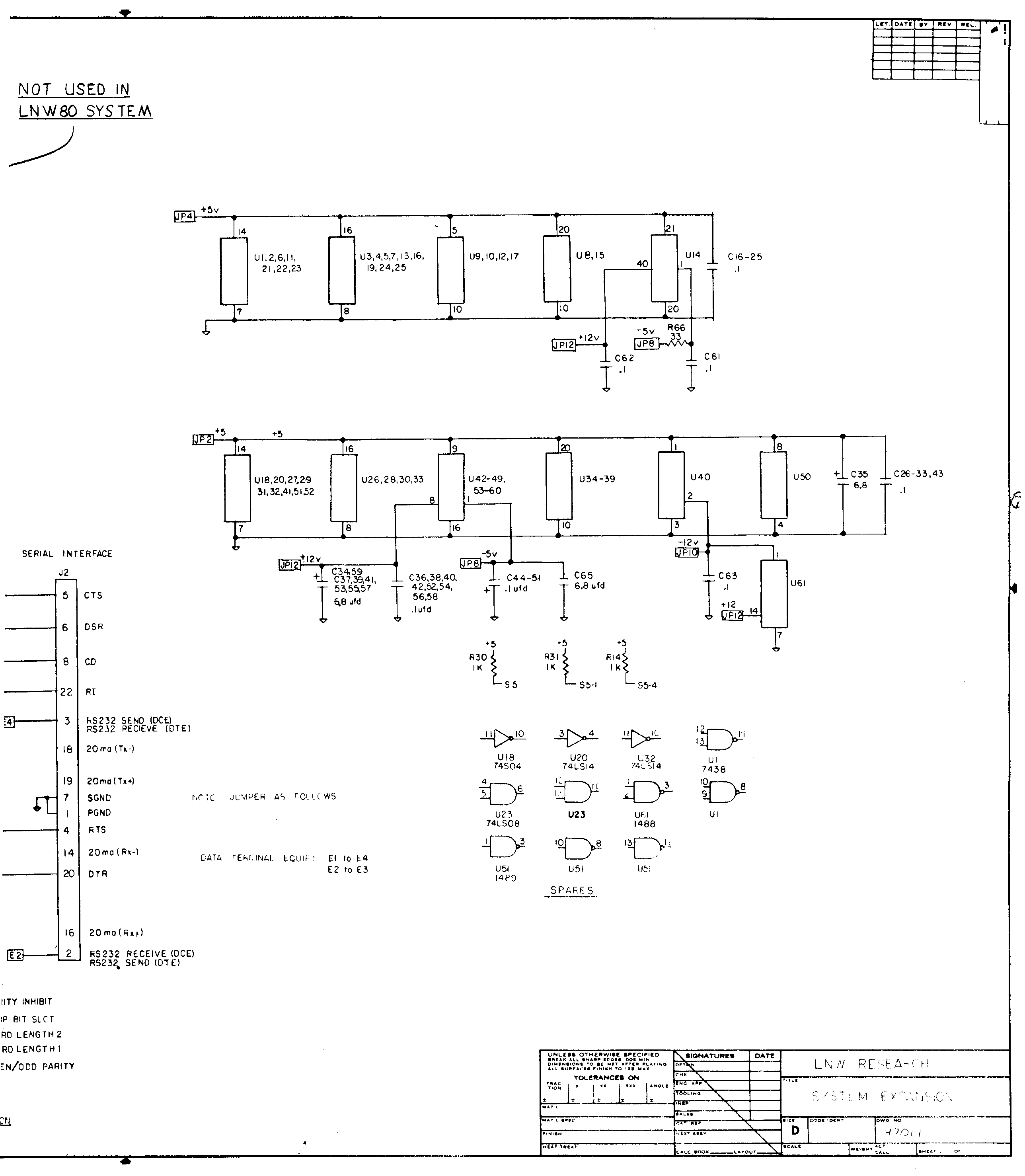
7.  EXPANSION BOARD SCHEMATIC PAGE 1 OF 2
    left | right

8.  EXPANSION BOARD SCHEMATIC PAGE 2 OF 2
    left | right

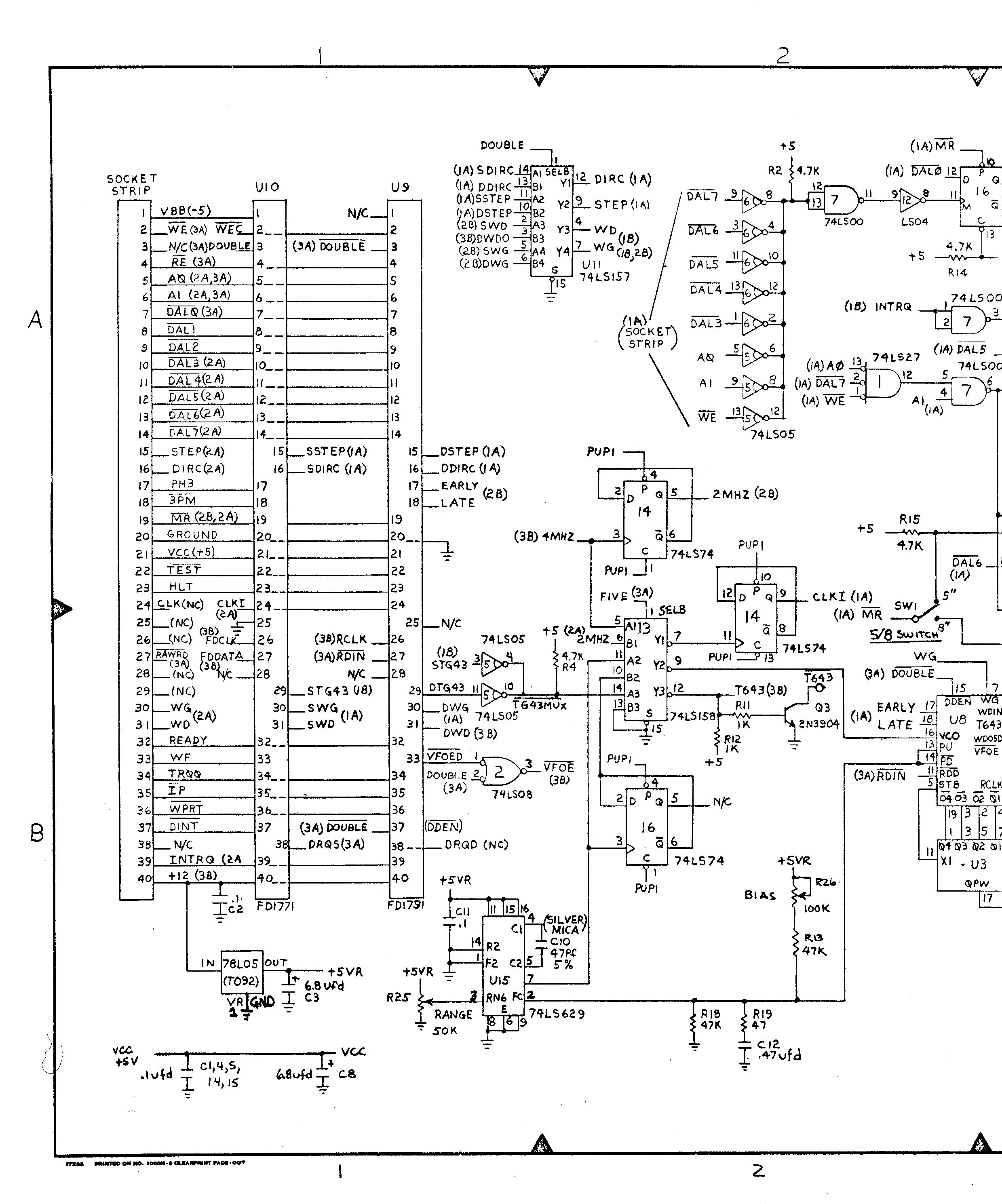
9.  LNDOUBLER 5/8 SCHEMATICS
    left | right

10  TOP ASSEMBLY LNW80

11. LNW80 PRINTED CIRCUIT BOARD COMPONENT SIDE

12. LNW80 PRINTED CIRCUIT BOARD SOLDER SIDE

13. LNW80 PRINTED CIRCUIT BOARD ASSEMBLY DRAWING

14. LNW80 PRINTED CIRCUIT BOARD ASSEMBLY DRAWING

15. SYSTEM EXPANSION PRINTED CIRCUIT BOARD COMPONENT SIDE

16. SYSTEM EXPANSION PRINTED CIRCUIT BOARD SOLDER SIDE

17. EXPANSION FINAL ASSEMBLY DRAWING

18. LNDOUBLER 5/8 PRINTED CIRCUIT BOARD
    Component side | Solder side


                            TOC